Новости
Все новости
17 апреля 2023
Мы стали еще ближе!
Газовая колонка Bosch Therm 4000 O WR 10-2P (пьезорозжиг)
Код товара:
6099
Bosch Therm 4000 O WR 10-2P — это надежный и простой в эксплуатации проточный газовый водонагреватель с открытой камерой сгорания, оснащенный удобным пьезорозжигом для ручного зажигания запальной горелки. Модель мощностью 20 кВт обеспечивает производительность 10 литров в минуту, что достаточно для комфортного душа и использования горячей воды на кухне для семьи из 2-3 человек. Благодаря механическому управлению с двумя поворотными ручками можно независимо регулировать мощность горелки и расход воды для достижения оптимальной температуры. Высокий уровень безопасности гарантируется термопарой, контролирующей наличие пламени, датчиком тяги и ограничителем температуры, предотвращающим перегрев. Экономичная конструкция с постоянно горящим запальником обеспечивает мгновенное включение основной горелки при открытии крана.
Подробнее
Нашли дешевле, мы сделаем скидку!
Временно отсутствует
Наши менеджеры обязательно свяжутся с вами и уточнят условия заказа
Цена действительна только для интернет-магазина и может отличаться от цен в розничных магазинах
- Описание
- Характеристики
- Видео
- Отзывы
- Задать вопрос
- Дополнительно
-
ОписаниеКлючевые особенности:
- Производительность 10 л/мин: Достаточно для комфортного душа и мытья посуды.
- Мощность 20 кВт: Обеспечивает эффективный нагрев воды до нужной температуры.
- Пьезорозжиг: Ручное зажигание запальной горелки одним нажатием кнопки, не требует батареек.
- Постоянно горящий запальник: Обеспечивает мгновенное включение основной горелки при открытии крана.
- Открытая камера сгорания (тип B11BS): Забор воздуха для горения происходит из помещения (требуется вентиляция).
- Механическое управление: Две независимые ручки для регулировки мощности и расхода воды.
- Термопара: Контролирует наличие пламени и перекрывает газ при его угасании.
- Датчик контроля тяги: Блокирует работу при недостаточной тяге в дымоходе, предотвращая отравление угарным газом.
- Ограничитель температуры: Защищает теплообменник от перегрева.
- Работа при низком давлении: Минимальное рабочее давление всего 0,1 бар, подходит для старых домов.
- Водяной фильтр на входе: Задерживает песок и ржавчину, защищая водяную арматуру.
- Постоянство протока: Обеспечивает стабильный расход воды при переменном давлении.
- Нижняя подводка коммуникаций: Упрощает монтаж и позволяет скрыть трубы.
- Компактные размеры (58x31x23 см): Подходит для ограниченного пространства.
- Возможность перенастройки на сжиженный газ: Можно перевести с природного газа на пропан-бутан (комплект отдельно).
- Защита от замерзания: Предусмотрена процедура слива воды через специальную заглушку.
- Экологичный теплообменник: Не содержит сплавов олова и свинца.
- Водяная арматура из перерабатываемого пластика: Изготовлена из усиленного стекловолокном полиамида.
- Смотровое окошко: Для визуального контроля наличия пламени.
- Автономность: Не требует подключения к электросети.
Для чего подходит:
Bosch Therm 4000 O WR 10-2P идеально подходит для небольших квартир, дач и домов с действующим дымоходом, где ценятся простота и надежность. Производительность 10 л/мин обеспечивает горячей водой семью из 2-3 человек для ежедневных нужд — душа и кухни. Пьезорозжиг и отсутствие необходимости в батарейках или электричестве делают его незаменимым в местах с нестабильным электроснабжением или его отсутствием. Модель особенно привлекательна для пожилых людей благодаря простому и понятному управлению. Важно помнить, что для установки требуется квалифицированный специалист и помещение с хорошей вентиляцией, соответствующее требованиям безопасности.
.png)
Документы
Therm 4000 O Размер: 1 мб -
Характеристики
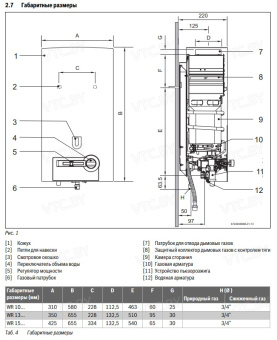
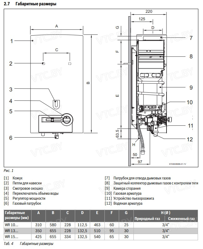
Бренд Bosch Модель Therm 4000 O WR 10-2P 7701331615 Тип Проточный Форм-фактор Плоский Способ нагрева газовый Мощность кВт 17.4 Производительность (л/мин) 10 Камера сгорания открытая Тип розжига пьезорозжиг Управление Механическое Подводка труб Нижняя Расположение вертикальный Способ крепления настенный Особенности Защита от перегрева, Регулировка уровня мощности Гарантия(месяцев) 24 Высота см. 58 Ширина см. 31 Глубина см. 22 -
Видео
- Отзывы
-
Задать вопросВы можете задать любой интересующий вас вопрос по товару или работе магазина.
Наши квалифицированные специалисты обязательно вам помогут. -
Дополнительно
Импортер: ООО "Теплоплюссервис" ул.Минская, 5-251, Колодищи 223051 Минский р-н Минская областьБеларусь
Сервисные центры: ООО "Теплоплюссервис"
Цена при покупке в рассрочку: 1 081.69 руб.








