Новости
Все новости
17 апреля 2023
Мы стали еще ближе!
Газовая колонка Bosch Therm 4000 O WR 15-2P (пьезорозжиг)
Код товара:
19457
Bosch Therm 4000 O WR 15-2P — это мощный проточный газовый водонагреватель с открытой камерой сгорания и удобным пьезорозжигом. Модель мощностью 29,6 кВт обеспечивает производительность 15 л/мин, что достаточно для комфортного использования большой семьей из 4-5 человек. Механическое управление с двумя ручками позволяет точно регулировать мощность горелки и расход воды. Безопасность гарантируется термопарой, датчиком тяги и ограничителем температуры. Экономичная конструкция с постоянно горящим запальником обеспечивает мгновенное включение и стабильную работу.
Подробнее
Нашли дешевле, мы сделаем скидку!
Временно отсутствует
Наши менеджеры обязательно свяжутся с вами и уточнят условия заказа
Цена действительна только для интернет-магазина и может отличаться от цен в розничных магазинах
- Описание
- Характеристики
- Отзывы
- Задать вопрос
- Дополнительно
-
ОписаниеКлючевые особенности:
- Производительность 15 л/мин: Обеспечивает комфортный душ и одновременное использование воды на нескольких точках.
- Мощность 29,6 кВт: Гарантирует эффективный нагрев воды до нужной температуры даже в холодное время года.
- Пьезорозжиг: Ручное зажигание запальной горелки одним нажатием кнопки, не требует батареек и электричества.
- Постоянно горящий запальник: Обеспечивает мгновенное включение основной горелки при открытии крана.
- Открытая камера сгорания (тип B11BS): Забор воздуха для горения происходит из помещения (требуется хорошая вентиляция).
- Механическое управление: Две независимые ручки для раздельной регулировки мощности и расхода воды.
- Термопара: Контролирует наличие пламени и мгновенно перекрывает газ при его угасании.
- Датчик контроля тяги: Блокирует работу колонки при недостаточной тяге в дымоходе, предотвращая отравление угарным газом.
- Ограничитель температуры: Защищает теплообменник от перегрева и деформации.
- Работа при низком давлении: Минимальное рабочее давление 0,2 бар, подходит для домов со слабым напором воды.
- Водяной фильтр на входе: Задерживает песок и ржавчину, защищая водяную арматуру от засорения.
- Постоянство протока: Обеспечивает стабильный расход воды при переменном давлении в магистрали.
- Нижняя подводка коммуникаций: Упрощает монтаж и позволяет скрыть трубы газоснабжения и водопровода.
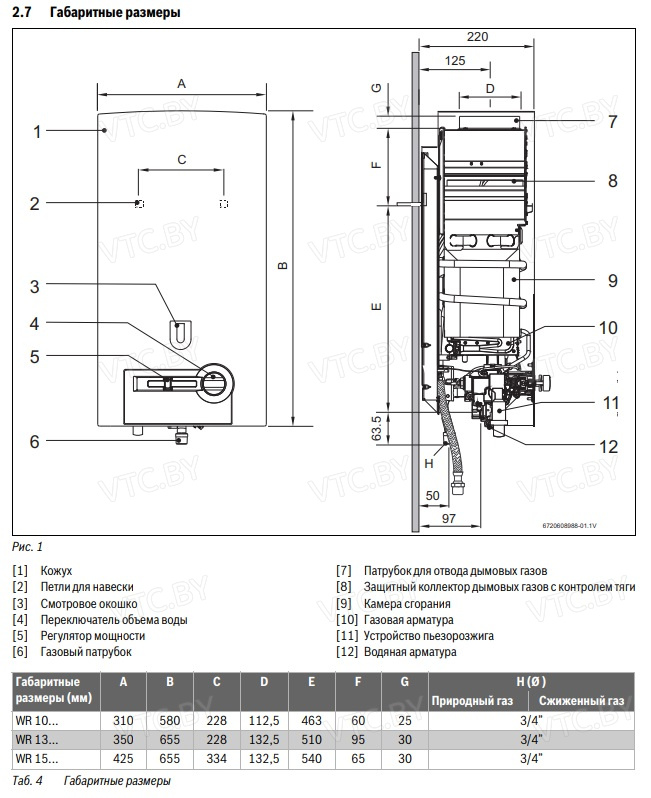
- Компактные размеры (65,5x42,5x33,4 см): Разумные габариты для такой высокой мощности.
- Возможность перенастройки на сжиженный газ: Можно перевести с природного газа на пропан-бутан (комплект приобретается отдельно).
- Защита от замерзания: Предусмотрена простая процедура слива воды через специальную заглушку.
- Экологичный теплообменник: Не содержит сплавов олова и свинца, безопасен для окружающей среды.
- Водяная арматура из перерабатываемого пластика: Изготовлена из усиленного стекловолокном полиамида.
- Смотровое окошко: Для визуального контроля наличия пламени запальной и основной горелки.
- Автономность: Полная независимость от наличия электрической сети.
Для чего подходит:
Bosch Therm 4000 O WR 15-2P идеально подходит для больших семей из 4-5 человек, проживающих в просторных квартирах или частных домах с действующим дымоходом. Высокая производительность 15 л/мин позволяет комфортно принимать душ и одновременно использовать горячую воду на кухне без потери температуры и напора. Модель особенно актуальна в регионах с нестабильным электроснабжением или его отсутствием, так как полностью автономна и не требует подключения к сети. Благодаря высокой мощности она обеспечивает стабильный нагрев воды даже в зимний период, когда температура воды на входе минимальна. Важно помнить, что для установки требуется квалифицированный специалист и помещение с хорошей вентиляцией, соответствующее нормам безопасности.Документы
Брошюра Bosch Therm 4000 O WR 15-2P (пьезорозжиг). Размер: 369,7 кб -
Характеристики
Бренд Bosch Модель Therm 4000 O WR 15-2P 7703331746 Тип Проточный Форм-фактор Плоский Способ нагрева газовый Мощность кВт 26.2 Производительность (л/мин) 15 Камера сгорания открытая Тип розжига пьезорозжиг Управление Механическое Подводка труб Нижняя Расположение вертикальный Способ крепления настенный Особенности Защита от перегрева, Регулировка уровня мощности Гарантия(месяцев) 60 Высота см. 65.5 Ширина см. 42.5 Глубина см. 22 - Отзывы
-
Задать вопросВы можете задать любой интересующий вас вопрос по товару или работе магазина.
Наши квалифицированные специалисты обязательно вам помогут. -
Дополнительно
Импортер: ООО "Теплоплюссервис" ул.Минская, 5-251, Колодищи 223051 Минский р-н Минская областьБеларусь
Сервисные центры: ООО "Теплоплюссервис"
Цена при покупке в рассрочку: 996.81 руб.








